芯片解密“屏幕式”声光电子琴
芯片解密作品功能
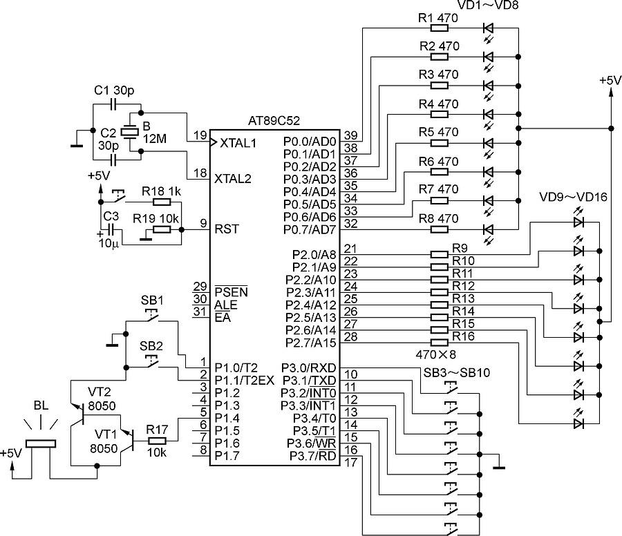
芯片解密8个按键(SB3~SB10)能发出8个基本音符,而且上面的LED还会伴随着按键点亮,让你同时享受声音跟视觉上的效果,在自己不弹奏的时候还可以播放内置的音乐,内置了一首《生日快乐》,就算你连音乐也不想听,还可以单独拿LED灯来耍耍花样,按右上角的按键就可以转换流动花式,达到两用的效果,用两块板子制作,上面的板子如同一个“屏幕”显示灯光,相信会给你带来全新的制作。电路见附图。

废话不多说,接下来就是制作时间:
准备器件: STC89C52RC单片机1块
470Ω电阻16只
1kΩ电阻1只
10kΩ电阻2只
黄色LED灯16只(可根据个人喜好选择不同颜色)
小型微动按键8个
较大的微动按键2个
8050三极管2个(NPN型)
扬声器1个
30pF电容2个
12MHz晶体1个
10μF电解电容1个
5cm×7cm的洞洞板1块
9cm×16cm的洞洞板1块

芯片解密